吹田市|国民年金|厚生年金保険|障害認定基準について
第3 障害認定に当たっての基準、第1章障害等級認定基準第10節/呼吸器疾患の障害3

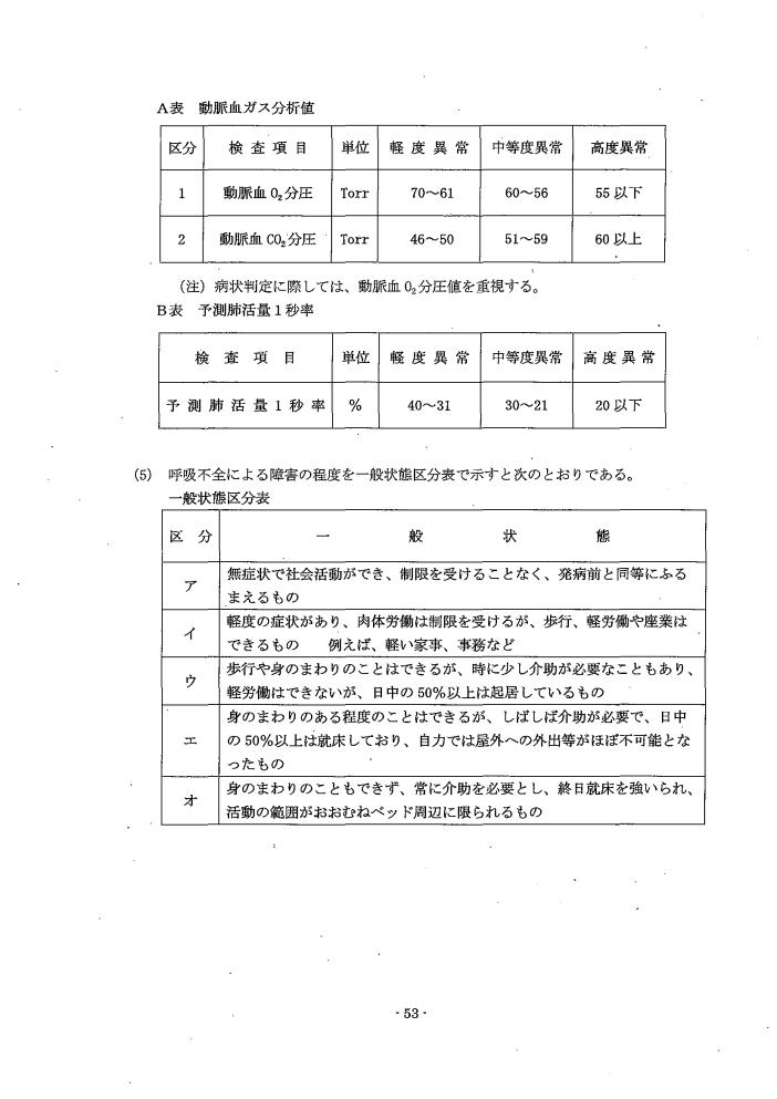
区分
検査項目
単位
軽度異常
中等度異常
高度異常
1
動脈血O2
分圧
Torr
70~61
60~56
55以下
2
動脈血CO2
分圧
Torr
46~50
51~59
60以上
(注)病状判定に際しては、動脈血O2 分圧値を重視する。
B表予測肺活量1秒率
検査項目、単位、軽度異常、中等度異常、高度異常
予測肺活量、 1秒、%、0~31、0~21、20以下
(5) 呼吸不全による障害の程度を一般状態区分表で示すと次のとおりである。
一般状態区分表
区分、一般状態
ア 無症状で社会活動ができ、制限を受けることなく、発病前と同等にふる まえるもの
イ 軽度の症状があり、肉体労働は制限を受けるが、歩行、軽労働や座業は できるもの 例えば、軽い家事、事務など
ウ 歩行や身のまわりのことはできるが、時に少し介助が必要なこともあり、 軽労働はできないが、日中の50%以上は起居しているもの
エ 身のまわりのある程度のことはできるが、しばしば介助が必要で、日中 の50%以上は就床しており、自力では屋外への外出等がほぼ不可能とな ったもの
オ 身のまわりのこともできず、常に介助を必要とし、終日就床を強いられ、 活動の範囲がおおむねベッド周辺に限られるもの
吹田市|国民年金|厚生年金保険|障害認定基準高齢者。老人ホーム
高齢者の安い介護費用や老人ホーム、老人保健施設、年金などについての一覧です。
■学生生活110番は、キャンパスライフを24時間365日サポートします。→学生生活110番■でお願いします。